模拟电路
放大电路
基本放大电路的分类
共发射极放大电路

分压式偏置放大电路

- 相比一般放大电路, 具有稳定的静态点
- 输入与输出的信号反相
射极输出器

- 几乎无法放大信号
- 输入电阻极大, 输出电阻极小, 用于中间层
符号表达
静态分量
交流分量
- 瞬时值 ib
- 相量 Ib˙
总量
通路转换
直流通路
- 用于计算静态值
- 认为电容为断路
- 认为没有信号输入
交流通路
- 用于计算放大倍数
- 认为电容为短路
- 认为没有直流电源, 将直流电压认为是接地
- 三极管转化为一个受控源 ic=βib 与 rbe≈200Ω+(1+β)IE(mA)26(mA)
- 计算时多采用相量的形式
基本放大电路相关计算
通用注意
计算前可以先将并联 / 串联的电阻等效为一个电阻
静态点计算
- 均需要考虑 UBE≈0.7V 的影响
- 均从 IB/VB 的计算入手, 如果有 IE 则带入 IE=(1+β)IB
- 均采用近似 IC≈IE, 与 IB 的关系取决于计算 UCE 时采用的值, 通常用于计算 UCE 的采用准确关系 (一般 IC 优先)
- 通常选择一条由 UCC 到 GND 的支路, 使用 KVL 计算
输入电阻
- 以信号源与信号源内阻为两端, 计算放大电路其他部分在这两端的等效电阻
- 将信号源部分移去, 假设加有电压 Ui˙, 计算相应的 Ii˙, 可得到 ri=Ii˙Ui˙
- 注意 Ui˙ 与 Ii˙ 为非关联方向 (模拟电源)
- 当输出端有负载 RL 时要考虑 (对于放大电路不会有影响)
- 输入电阻越大越好, 表明了放大电路捕捉信号的能力
输出电阻
- 以负载为两端, 计算放大电路其他部分在这两端的等效电阻
- 计算等效电阻时需要置零所有的理想电源 (对于放大电路, 此时 Ib˙=0)
- 将负载移去, 假设加有电压 Uo˙, 计算相应的 Io˙, 可得到 ro=Io˙Uo˙
- 注意 Uo˙ 与 Io˙ 为非关联方向 (模拟电源)
- 当输入端有内阻 RS 时要考虑 (对于放大电路不会有影响)
- 输出电阻越小越好, 表明了放大电路提供信号的能力
放大倍数
- 分别使用 Ib˙ 表示 Uo˙ 与 Ui˙, 即可得到 Au=Ui˙Uo˙
- 注意放大电路一般 Au<0
- 注意射极输出器一般 Au≈1
- 通常需要用到负载 RL
- 注意计算内阻时电源置零, 但计算放大倍数时不置零
多级电路计算
- 负载电阻大小为下一级的输入电阻 RLn=rin+1
- 信号内阻大小为上一级的输出电阻 RSn=ron−1
- 通常一般放大电路的等效电阻可以避开与上下级的关联, 因此可以单独计算
- 放大倍数一定会用到 RL, 因此要先计算 rin 才能计算 Au
- 总放大倍数 Au=Au1Au2...Aun
- 总内阻满足 ri=ri0, ro=ron
- 计算前需要先明确划分各级电路, 划分的两端即用于计算等效电阻的端口, 外部属于负载 / 内阻
- 如果出现功能重叠的电阻, 则根据题目的标号划分, 并在计算时, 如果没有发挥作用则排除
差分放大电路

- 通过对称结构消除零点漂移
- 具有两个输入与两个输出, 通常将一个输出作为正极, 另一个作为负极
静态分析
- 静态分析时, 仅需要关注一侧即可, 两侧对称
- 认为差分放大电路的 IB≪IE=IC, UBE≈0, 因此从 uI1(此时视为地) 到 −VEE 的通路上, VEE 完全加在 Re 上
- 注意, 有两个相同的 IE 流过 Re, 因此 VEE=2IERe
- 采用 IB=βIC=βIE
双端输入动态分析
- 仅当差模输入 ui1=−ui2 时能够放大, 共模输入输出 0 (对称)
- 分析时仅分析一侧, 另一侧对称
- 由于差模输入, 因此 iE1=−iE2, iE=0, 可以忽略 RE 的影响
- 晶体管的转化放大与其他放大电路相同
- 当存在负载时 RL , 根据对称性, 可将负载分为两个 RL′=21RL, 中间接地
双端输入计算
- 分析单侧电路时, 采用 Ad=ui1uo1
- 分析总体时, 认为输入为 ui=ui1−ui2=2ui1=−2ui2, 输出分为单侧 uo1 与双侧 uo=uo1−uo2=2uo1=−2uo2
- 因此对于不同侧的单侧输出与单侧双侧输出的放大倍数 Au 均不同
- 计算输入电阻时, 假设单侧加有电压 21ui (与一般不同)
- 计算输出电阻时, 单侧输出则假设单侧输出端有电压 uo, 否则假设单侧输出端有电压 21uo
一般输入计算
- 不可以直接分析一般输入, 因为差模输入采用了忽视 RE 的假设
- 可将一般输入分为差模部分 ud 与共模部分 ue, 因此有 ui1=ue+ud, ui2=ue−ud
- 差模放大电路仅放大差模部分 ud, 并且动态特性与差模输入时完全相同
- 对于单端输入即一般输入的极端情况, 即 ue=ud=21ui, 因此特性依然不变
运算放大器
理想运算放大器

元件特性
- 放大倍数 Au→∞
- 差模输入电阻 rid→∞, 因此输入电流 i+≈i−≈0, 称为虚断
- 开环输出电阻 ro→0
- 注意运算放大器为有源元件, 正常工作还需要有电源 VCC 与接地 GND, 只是图例上没有表示
- 虽然放大倍数极大, 但是最大输出电压 UO(sat)≈VCC−2V
- 根据是否达到最大输出电压, 分为线性区与饱和区
- 线性区中, 输入电压被放大, 满足 uo=Au⋅ui→ui≈0→u+≈u−, 称为虚短, 仅在线性区成立, 通过反馈电阻 Rf 实现扩大线性区
线性区计算方法
- 根据虚断 i+≈i−≈0, 使用 uo 与 uin 表示 u+ 与 u−
- 根据虚短 u+≈u−, 联立得到的表达式, 解出 uo
- 平衡条件: 由于运算放大器的第一级为差分放大电路, 根据对称性要求, 在静态情况下 (各信号端均为地), 两个输入端与地之间的电阻应相同
- 注意电流与电压的参考方向, 最好以电流方向的压降计算, 可根据反向接 u− 的原则检查结果
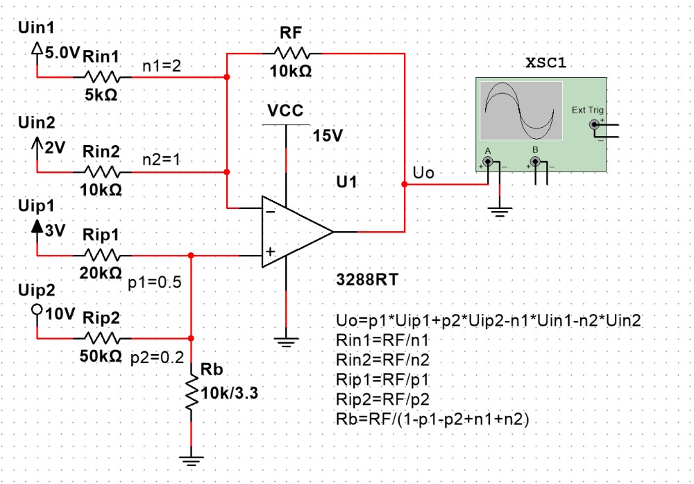
运算电路设计
设计原则
- 两个输入端与地之间的电阻应相同, 保证平衡条件
- 当输入与输出信号相反时 (在输出结果中系数为负数), 应接入 u− 端, 否则接入 u+ 端
- 必须有反馈电阻 Rf, 并且通过 Rf 连接 u− 端与 uo 端
线性运算电路

- 设计电路前首先确定 RF
- 接在反馈电阻一侧的信号源为反相输出, 记为 Uinx, 电阻记为 Rinx, 根据系数满足 Rinx=RF/nx
- 接在 GND 一侧的信号源为同相输出, 记为 Uipx, 电阻记为 Ripx, 根据系数满足 Ripx=RF/px
- 最后确定平衡电阻 Rb=RF/(1−∑px+∑nx)
- 平衡电阻不可为负数, 因此 1−∑px+∑nx>0
特殊变形
- 当所有 Uipx=0, 即得到反相加法电路
- 当没有正相输入的信号, 即正相输入接地, 即虚地, 可以使通过 RF 的电流不变
- 仅有正相或反相时, 可以令对应系数为 0, 或将地作为输入信号, 以保证条件 1−∑px+∑nx>0 成立
- 当 Rb→∞, 表明 1−∑px+∑nx=0, 依然成立
- 当 Rb→∞, 且仅有一个正相输入时, 即为输出跟随器, 放大倍数必定为 1
电路中的反馈
电路快速判断
电压
当一个节点的电压下降时, 此节点到其他任何固定电压的节点 (地, 虚短, 电压源) 的通路上的节点的电压均会下降
电流
- 当电阻一侧的电压上升, 另一侧不变时, 则有电压上升一侧向不变一侧电流增加, 反之, 电流增加, 电流来源一侧电压增大
- 对于一个节点, 当仅有两条支路电流发生变化 (其他支路两侧电压不变), 则当其中一条电流流入增加, 另一条必定流出增加