压杆稳定问题
- 压杆稳定问题仅考虑竖直杆件受到理想无偏心压力的情况 (如受压桁架), 受拉时不考虑失稳问题
- 压杆稳定中, 受压端不能有压力方向的约束力, 否则压力在受压端即被抵消, 不存在压力
- 需要受到轻微扰动后, 杆件不能回复直线而是继续弯曲并发散, 则称为失稳
- 设临界压力 Fcr, 当压力在以下条件下杆件的变形为
- F<Fcr 杆件受到扰动后快速回复
- F=Fcr 杆件受到扰动后保持特定的弯曲形状
- F>Fcr 杆件受到扰动后失稳
细长杆的临界压力
基本公式
- 在临界压力下弯曲时, 对心压力与弯曲杆件的轴线不再平行, 因此杆件截面上将产生弯矩
- 此弯矩即使杆件弯曲的内力, 因此杆件保持弯曲状态, 符合临界压力的要求
- 根据此条件可计算得到, 材料在线弹性状态下临界压力满足公式 $$F_{cr}=\frac{\pi^2EI}{(\mu l)^2}$$
- 公式中的 μ 为长度因素, 与杆件所处的约束有关
常见约束下的长度因素

| 约束 | 约束方向 | 长度因素 μ |
|---|
| 两端球铰支 (受压端为滑动铰) | 5 | 1 |
| 一端固定, 一端滑动球铰支 | 6 | ≈0.7 |
| 两端固定 (受压端为轴向滑块) | 7 | 0.5 |
| 一端固定一端自由 | 4 | 2 |
| 两端固定 (受压端为横向与轴向滑块) | 5 | 1 |
| 桁架中两端球铰支的二力杆 | | 1 |
欧拉公式使用注意

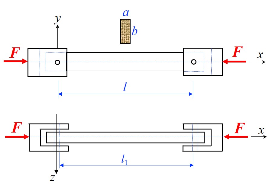
- 对于无方向性的约束 (如球铰), 公式中 I 为截面上最小的惯性矩
- 对于有方向性的约束 (如图示平铰约束), 需要从不同弯曲分析, 对于如图约束
- 当压感在 y 轴方向发生弯曲时, 属于双球铰约束, 长度从铰圆心开始计, 因此 μ=1,I=Iz=ab3/12L=l
- 当压感在 z 轴方向发生弯曲时, 属于双固定端约束, 长度从未约束处开始计, 因此 μ=2,I=Iy=ba3/12,L=l1
临界压应力
由于认为压应力均匀分布在截面上, 因此可得截面在临界压力下的正应力称为临界压应力 σcr 满足
σcr=AFcr=A(μl)2π2EI
压杆柔度
将临界压应力中与材料无关的量取出, 得到一个仅与杆件状态有关的无量纲系数, 称为柔度 λ, 满足
σcr=λ2π2Eλ=μlA/I
临界柔度
- 由于欧拉临界压力公式中, 要求杆件处于线弹性状态, 因此使用欧拉公式得到的临界应力必须符合条件 σcr<σp (σp 为材料的比例极限)
- 将 σcr=σp 下的柔度称为线弹性临界柔度 λp, 满足
λp=σpπ2E
- 根据 λp 公式可得其仅与材料性质有关, 与杆件无关, 对于一般钢材料满足 λp≈100 (通常由材料的其他属性计算出)
- 同样当杆件处于非线性弹性状态下且未发生屈服时, 也有屈服临界柔度 λs, 满足
λs=σsπ2E
(对于脆性材料, 没有屈服则取强度极限 σb)
一般杆件的临界压应力

大柔度压杆
- 满足 λ>λp 的压杆, 也称为细长杆
- 此时发生弯曲失稳杆件仍处于线弹性状态, 因此可使用欧拉临界压力公式
σcr=λ2π2E
中柔度压杆
- 满足 λp>λ>λs 的压杆, 也称为中粗杆
- 此时发生弯曲失稳杆件仍处于非线弹性状态, 欧拉公式不成立, 通过实验插值得到临界压应力
σcr=a−bλ
a,b 为实验得到的系数
短粗杆
- 满足 λ<λs 的压杆
- 此时认为受压屈服 / 断裂才是杆件失效的主要形式, 因此直接与 σs 比较, 不考虑失稳
σcr={σs,σb,塑性材料脆性材料
稳定安全系数
与安全系数类似, 定义稳定安全系数 nst, 对于临界压力 Fcr (对于中柔度杆可通过 Fcr=σcrA 计算), 有许用压力
F≤[Fst]=nstFcr