晶体管
晶体管
前置: PN结二极管
N 型半导体
掺杂磷(5价)的硅晶片, 含有未束缚的电子, 在电场中电子向正极移动
P 型半导体
掺杂硼(3价)的硅晶片, 含有空穴, 在电场中电子移向空穴, 体现为空穴向负极移动, 将空穴带有正电
PN结
将 N 型半导体与 P 型半导体夹在一起构成 PN 结, 即二极管
正向导通
P 型半导体一侧通正电时, P 中的空穴与 N 中的电子向 PN 结中间移动, 并在 PN 结中间结合, 电流导通
反向导通
P 型半导体一侧通负电时, P 中的空穴与 N 中的电子向 PN 结两侧移动, PN 结中间形成没有载流子的区域, 称为耗尽区, 电流无法导通
导通电压
即使正向导通, 当电压小于导通电压时, PN 结仍无法导通.
双极型晶体管
双极型晶体管为三端器件, 可做电控开关或放大控制器 具有 NPN 与 PNP 两种结构, 两种结构所有元素, 极性和电流相反 (标识中由 P 指向 N)
NPN 运行方式

通常为断开, 当一个小电流流入与小正向偏压加载基极(B Basic)和发射极(E)上时, 处于导通状态(允许一个较大的集电极 - 发射极电流),
NPN 工作原理
基极不加电压(负电压), 集电极(正电)与发射极之间有电压时: N 型半导体的电荷分布因电压改变, 但 P 型半导体电荷分布没有改变, 只有极少的电子能与空穴结合形成电流(泄漏电流)
基极加正电压, 集电极(正电)与发射极之间有电压时: 基极加正电压后, 基极与发射极之间的 PN 结导通, 由于 P 型半导体极薄, 仅有少量电子从基极流出, 大部分电子可以直接跳跃到集电极, 导致一个从集电极到发射极的正电流
理论

- 工作在饱和区时, 相当于闭合的开关, 集电极电流最大
- 工作在截止区时, 相当于断开的开关, 只有极小的泄漏电流
- 工作在放大区时, 端子电流存在近似线性的关系(观察同 下不同 对应的 ), 满足
其中 近似为常数, 通常范围为
放大区条件
- 对于 NPN 型晶体管, 集电极电压 必须比发射极电压 大至少零点几伏, 否则电流不能通过
- 对于 NPN 型晶体管, 基极电压 必须比发射极电压 大 , 否则电流不能通过
放大区电路分析
使用 KCL 有
根据放大区条件有
无法直接求得, 需要通过 间接求出
跨阻
晶体管内存在跨阻(放大区中直线不完全水平) $$r_{tr}\approx\frac{0.026V}{I_E}$$ 受温度与 影响
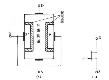
结型场效应管 JFET
具有 N 沟道与 P 沟道两种结构, 两种结构所有元素, 极性和电流相反 (标志中 P(突块) 指向 N(沟槽))
N 沟道运行方式
D 漏极 S 源极 G 栅极 场效应晶体管中, 源极与漏极是相对于载流子而言的, N 沟道中, 载流子为电子, 因此电流为漏极指向源极 当负电压加在栅极的时候(相对于源极), 漏极到源极的电流减小() 具有较大的栅极阻抗, 栅极几乎没有电流
N 沟道工作原理
- 当栅极没有电压时, 电子可以自由地穿过 N 沟道
- 当栅极有负电压时, P 突块空穴移向栅极, N型沟道自由电子移向突块, 载流子减少, 阻止电子流动(反向导通)
- 与晶体管最大区别 MOS 和 场效应管 使用电压控制开关
理论

- 当 , 通过场效应管的电流最大, 称为饱和漏极电流 , 为一个常数()
- 当 很小时, 随 近似线性变化, 场效应管近似一个受电压控制的电阻(欧姆区)
- 曲线平坦的区域为饱和区, 漏极电流 受栅极源极电压 影响, 几乎不受 影响(观察同 下不同 下的 )(饱和区)
- 使场效应管关断(无电流)的特定值称为关断电压 ()
- 当 增加到足够大时, 场效应管被击穿, 称为漏源击穿, 记为击穿电压 ()
- 跨导 类似双极性晶体管的跨导()
- 恒流区漏极电流( 与 关系非线性) $$I_D=I_{DSS}(1-\frac{V_{GS}}{V_{GS,off}})^2$$
金属氧化物半导体场效应晶体管 MOSFET

分为增强型与耗尽型, 类似结型场效应晶体管, 但通过在栅极与通道间加入金属氧化物, 输入阻抗更大 除了 N, P 沟道, 还有耗尽型与增强型两种类型 耗尽型与结型场效应晶体管基本相同
标识特点
标识中 P(底部/突块) 指向 N(上部/沟道) 耗尽 连线(栅极不通电时导通) 增强 虚线(栅极通电时导通) 栅极靠近源极
N 沟道增强型 MOSFET 工作原理


栅极没有电压时(相对于源极), 通道载流子很少, 通道电阻很大 将正电压加在栅极上后, P 型半导体中电子移向沟道, 增加通道导通性
N 沟道增强型 MOSFET 理论
与 JEFT 基本相同 没有关断电压, 而是开启电压() 恒流区漏极电流 $$I_D=k(V_{GS}-V_{GS,th})^2$$ k 为结构参数
绝缘栅极双极型晶体管 IGBT
一个 MOSFET与双极性晶体管的组合体, 可用于大功率场合